動作概要
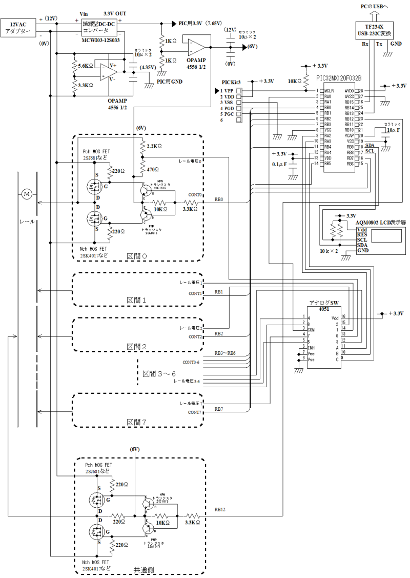
電源部に使用している4556はオーディオ用のOPアンプですが、出力電流が73mAと大きく、これでPIC32用電源3.3Vの仮想GNDを作ります。PIC32のGNDを12V電源のGNDから4.35V上げることにより、PICのPortの電圧の中心を6Vにしています。

PortがInPortのときハイインピーダンスでOFF、OutPortで出力1のとき正転、0の時逆転します。共通側のRB12はその反対に正転で0、逆転で1にします。

パワーFETのフルブリッジとして使えるAE-TPC8408を使ってみます。8407はモータードライブには向かないようです。フルブリッジで使うのでJ1,J2を半田付けし、X,Yピンはカットします。



